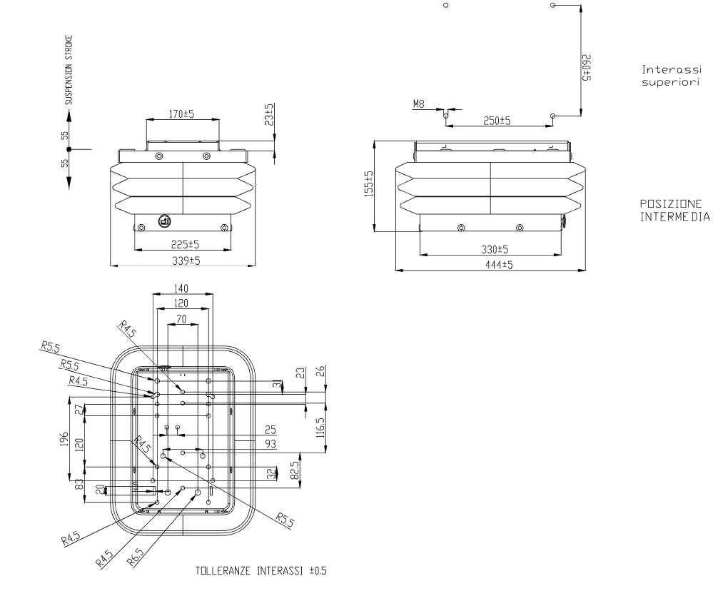
Disegno tecnico

Sospensione pneumatica 12v.

Ti potrebbe interessare

MOL698NH-01

MOL698N-01

MOL220

MOL250

MOL300

Contattaci

"*" indica i campi obbligatori

*

Torna in alto